Wie Sie eine Verbindung zeichnen
Wie Sie eine Verbindung zeichnen
- Wählen Sie in Visio das Verbindungstool () aus.
- Platzieren Sie den Cursor am Anfangspunkt (achten Sie auf den Cursor ).
- Halten Sie die Maustaste gedrückt.
- Ziehen Sie den Mauszeiger zum Endpunkt.
- Lassen Sie die Maustaste los.
Der Endpunkt der Verbindung kann oberhalb oder unterhalb und rechts oder links vom Anfangspunkt gewählt werden. Dabei werden Verbindungslücken geschlossen und Verbindungspunkte von Shapes automatisch angeschlossen.
Beim Löschen oder Verschieben von Shapes entstehende Verbindungslücken werden automatisch geschlossen.
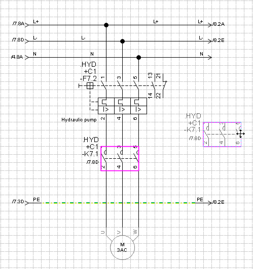
Verbindungen nach dem Verschieben des Shapes:
Werden Shapes auf bestehende Verbindungen platziert, erfolgt automatisch ein Aufsplitten dieser Verbindungen.
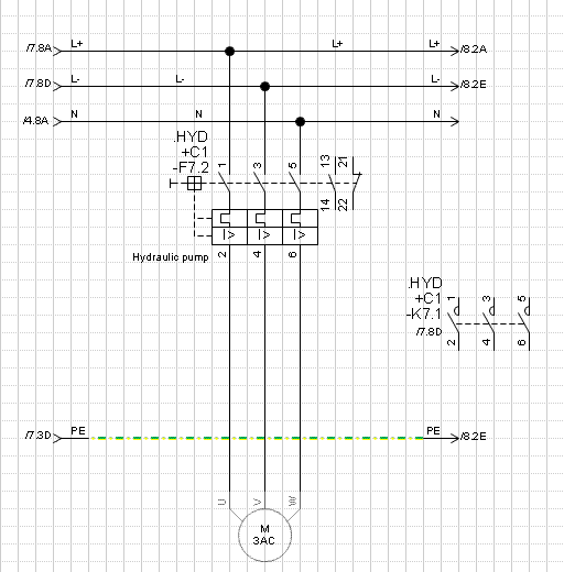
Verbindungen nach dem Platzieren des Shapes:
Sie können durch Ziehen mit der Maus maximal zwei Ecken zeichnen.
Wenn Sie mit dem Zeichnen von Verbindungen fertig sind, aktivieren Sie das Zeigertool (), um weiter zu arbeiten.








